Opis
Praktyczne zamykanie na przycisk (śruba dociskowa) do grubych drzwi meblowych 22 mm (55/64″) – 25 mm (63/64″), wykonane z wytrzymałego poliamidu (PA, nylon), powierzchnia: brązowa, SL-B251-BR
Aplikacja:
Zatrzask Push-Latch do przebudowy kampera, wnętrza jachtu, mebli do przyczep kempingowych i wielu innych.
Zapięcie na przycisk SL-B251-BR posiada przycisk z solidnym zatrzaskiem przesuwnym.

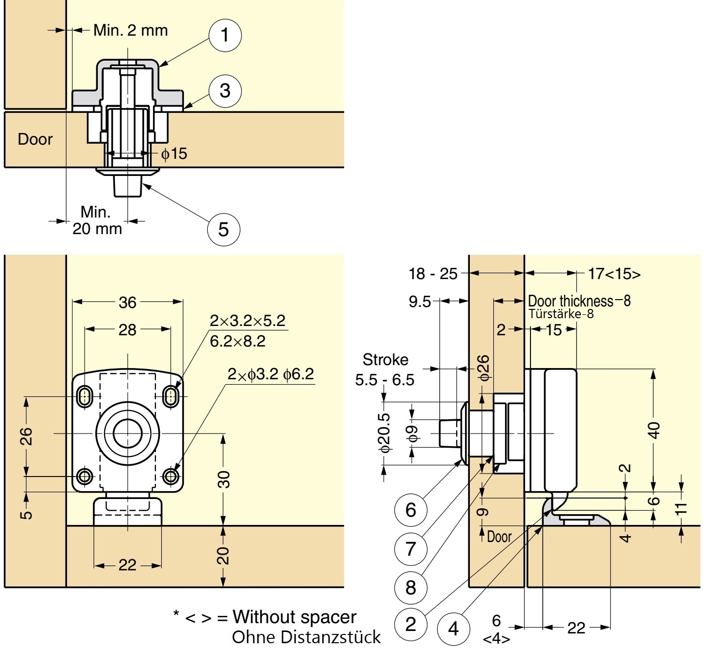
Jego kompaktowa konstrukcja wymaga tylko otworu 15 mm i prawie nie wystaje, co pozwala na prostą konstrukcję frontu.
Zintegrowany mechanizm sprężynowy utrzymuje drzwi bezpiecznie zamknięte z obciążeniem około 16 kgf – nawet w przypadku wibracji w pojazdach lub na statkach.
Pierścień dystansowy umożliwia dostosowanie do drzwi o grubości od 18 do 21 mm i zapewnia dopasowanie bez luzów.

Odporna na zużycie obudowa z poliamidu jest lekka, odporna na korozję i nieprzepuszczalna dla wilgoci.
Wysokiej jakości zapięcia na guziki 140-060-017 są idealne między innymi do:
- Wyposażenie sklepów
- Meble targowe
- Drzwi meblowe
- Ułoży się
- Drzwi
- Lekkie meble
- Meblościanki kuchenne
- Zabudowa kampera
- Wnętrze jachtu
- Meble do przyczep kempingowych
Szczegóły techniczne:
- Waga: 23,5 g
- Nośność (nośność): 156,8 N (16 kp)
- Rozmiar: 26 mm (1-1/32″)
- Dostępny w kolorach: kość słoniowa i brąz
- Dostępne dla drzwi normalnych (18-21 mm) i grubych drzwi (22-25 mm)
- Łatwa instalacja, praktyczna, stabilna
- Utrzymuje drzwi bezpiecznie zamknięte dzięki sile sprężyny
- Ciche otwieranie za naciśnięciem przycisku
- Łatwa adaptacja do różnych grubości drzwi
- Odporny na korozję, uderzenia poliamid
- Wysoka siła trzymania około 16 kgf
- Nadaje się do mebli, pojazdów i przemysłu morskiego
- Niska waga
- brązowy
- Wytrzymały (odporny na ścieranie, sprężysty, odporny na wiele chemikaliów, odporny na wysoką temperaturę)
- wysoka jakość marki Sugatsune / LAMP®
Powierzchnia:
- Brązowy
- Brąz daje poczucie ciepła i komfortu, co tworzy przytulną i zachęcającą atmosferę, idealną do salonu i jadalni
- Brąz dobrze komponuje się z drewnem i jest uniwersalnym, neutralnym kolorem, który dobrze komponuje się z innymi kolorami i materiałami, emanując ponadczasową elegancją
Montaż:

- Mocowanie odbywa się za pomocą sześciu znajdujących się w zestawie (wkręt do płyty wiórowej z stożkowym 3 x 14 mm)
- Najpierw należy wykonać główny otwór o średnicy ⌀15 mm (19/32″)
- Następnie po wewnętrznej stronie drzwi należy wykonać otwór przeciwdziałający o średnicy 26 mm (1-1/32″) i głębokości = grubość drzwi − 8 mm
- Następnie przycisk jest przymocowany do otworu z nakrętką
- Korpus rygla wkręca się we wstępnie narysowane otwory szczelinowe za pomocą czterech wkrętów do płyt wiórowych 3 x 14 mm, przy czym w zależności od grubości drzwi wkłada się pierścień dystansowy
- Płyta oporowa jest następnie wyrównywana z przodu korpusu i przykręcana tak, aby śruba zatrzasnęła się na swoim miejscu
- Na koniec sprawdzana jest funkcja zamykania i, w razie potrzeby, dostrajana za pomocą otworów podłużnych (więcej szczegółów znajduje się na rysunku montażowym)

Wymiary:
- Długość zamknięcia przycisku: 40 mm (1-37/64″)
- Szerokość: 36 mm (1-27/64″)
- Głębokość: 15 mm (19/32″)
- Średnica zatrzasku: ⌀20,5 mm (13/16″)

Więcej wymiarów i szczegółów znajduje się na rysunku technicznym.
Materiał:
- Zapięcia na guziki 140-060-017 wykonane są z wytrzymałego poliamidu (PA, nylon)
- Poliamid jest idealny do okuć meblowych i przemysłowych, ponieważ jest wytrzymały, odporny na korozję, pochłania hałas i śliski, co pozwala na trwałe i łatwe do przenoszenia okucia.
Zawarte w dostawie:
- 1-częściowe zamknięcie na guzik 140-060-017 z wytrzymałego poliamidu, brązowe
- 1 sztuka zaczepu
- 1-częściowy pierścień dystansowy
- 1-częściowy przycisk
- 6 wkrętów do płyt wiórowych z stożkowym ściętym, 3 x 14 mm
Dodatkowe informacje:
Numery artykułów producenta:
- ID artykułu: 140-060-017
- Numer produktu: SL-B251-BR
- Numer EAN: 4510932059565
Producent: Sugatsune / LAMP® (Japonia)












