Opis
Wysokiej jakości zamek do drzwi przesuwnych z hakiem 7810K-24-SNI-L-B, z rozetą bębenkową i trzema kluczami, z zaczepem, wykonany z solidnej stali nierdzewnej (SUS304 lub V2A), powierzchnia: niklowana, matowa satynowana, konstrukcja: z innym kluczem
Aplikacja:
Zamek roletowy do drzwi przesuwnych i wiele więcej.
Praktyczny zamek do rolet 7810K-24-SNI-L-B służy do zamykania mebli, drzwi przesuwnych i rolet.

Dzięki praktycznym kluczom dwustronnym, które można włożyć w dowolnej orientacji, ten zamek do drzwi przesuwnych zapewnia maksymalną wygodę.
Dwa haki ryglujące rozkładają się automatycznie w blaszce zaczepowej po zamknięciu, zapewniając w ten sposób stabilne ryglowanie drzwi przesuwnych lub rolet.
Zamek do drzwi przesuwnych 7810K-24-SNI-L-B jest zamkiem wpuszczanym i posiada zamontowaną na stałe wkładkę bębenkową.
Nie ma potrzeby zamykania: klucz można wyjąć w pozycji otwartej i zamkniętej.
Opcjonalnie można zastosować podkładkę dystansową L.6810-SP o grubości 2 mm (brak w zestawie).

Zamki do rolet nadają się do montażu w nowych meblach, jak również do naprawy istniejących szafek.
Wysokiej jakości zamki do rolet 7810K-24-SNI-L-B doskonale sprawdzą się między innymi:
- Okiennica
- Meble do salonu
- Meble biurowe
- Drzwi przesuwne
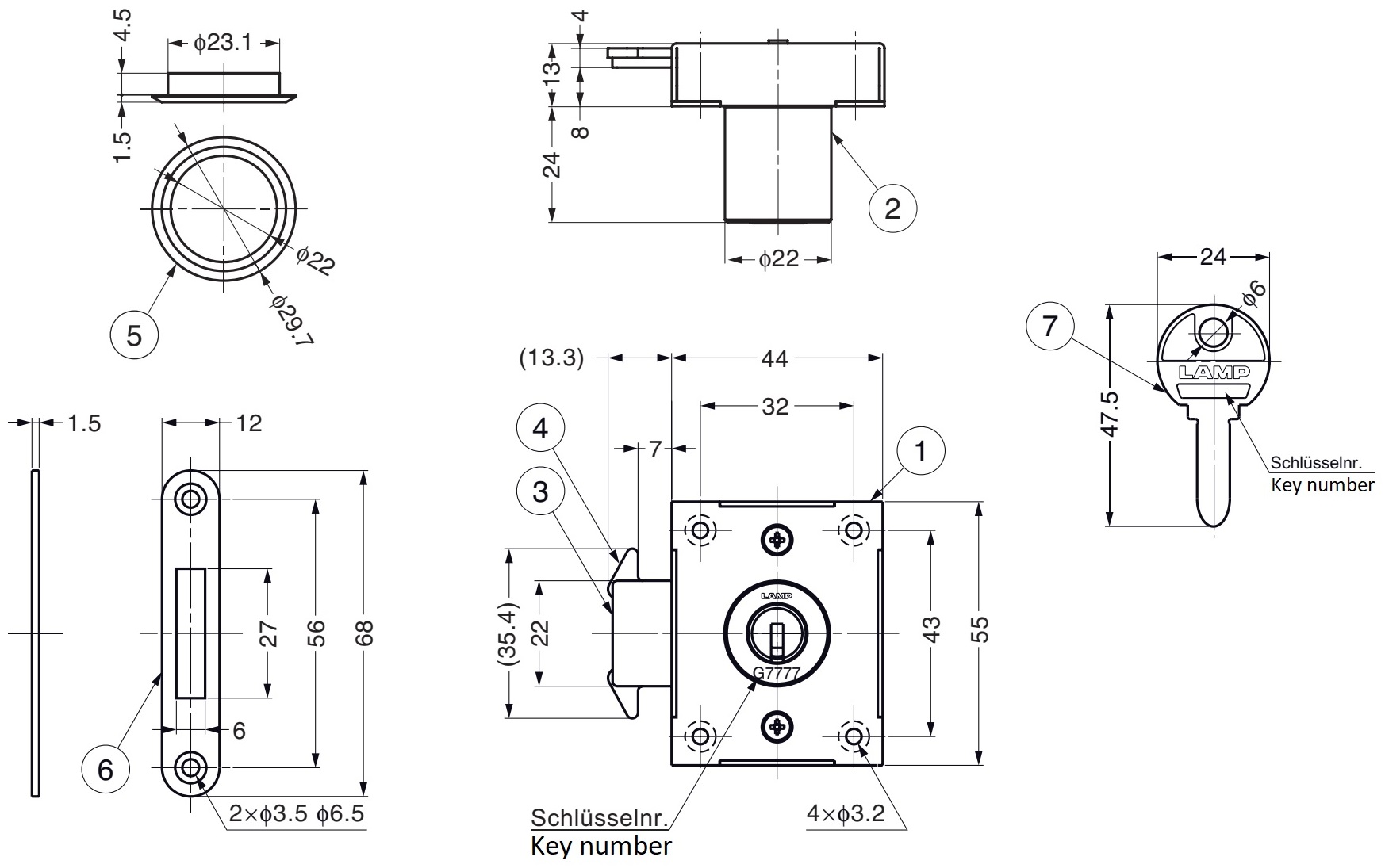
Szczegóły techniczne:
- Konstrukcja: z różnym zamknięciem
- Waga: 160 g
- Rozmiar: 22 mm (55/64″)
- Dostępne w dwóch kolorach powierzchni: niklowanej matowej i chromowanej
- Dostępne zarówno z kluczem, jak i z kluczem
- Dostępny w dwóch wersjach: lewostronnej i prawostronnej
- Łatwa instalacja, praktyczna, stabilna
- Zamek z wgłębieniami do rolet i drzwi przesuwnych, do przykręcania
- Zał. Trzy klucze z wgłębieniami
- Tył: 26 mm (1-1/32″)
- Średnica cylindra: ⌀22 mm (55/64″)
- Długość cylindra: 24 mm (15/16″)
- z rozetą przypinaną
- z rdzeniem cylindra
- z płaską blachą zaczepową
- bez obowiązkowego zamknięcia
- Kształt cylindryczny: Okrągły cylinder
- Ruch zamykania: 360 stopni
- Wyjątkowo bezpieczny zamek z milionem różnych wariantów kluczy
- niklowane, matowe wykończenie satynowe
- Warunki atmosferyczne
- nierdzewny (odporny na korozję)
- wysoka jakość marki Sugatsune / LAMP®
Powierzchnia:
- Niklowane, satynowe matowe wykończenie
- Niklowane, matowe wykończenia zapewniają wysoką odporność na korozję i zużycie, dzięki czemu idealnie nadają się do codziennego użytku
- Matowe wykończenie sprawia, że odciski palców, zadrapania i zabrudzenia są mniej widoczne, dzięki czemu okucia są łatwiejsze do czyszczenia i wyglądają bardziej atrakcyjnie przez dłuższy czas
- Subtelny, elegancki design z matowego niklu pasuje do różnych stylów i nadaje premium, nowoczesny wygląd
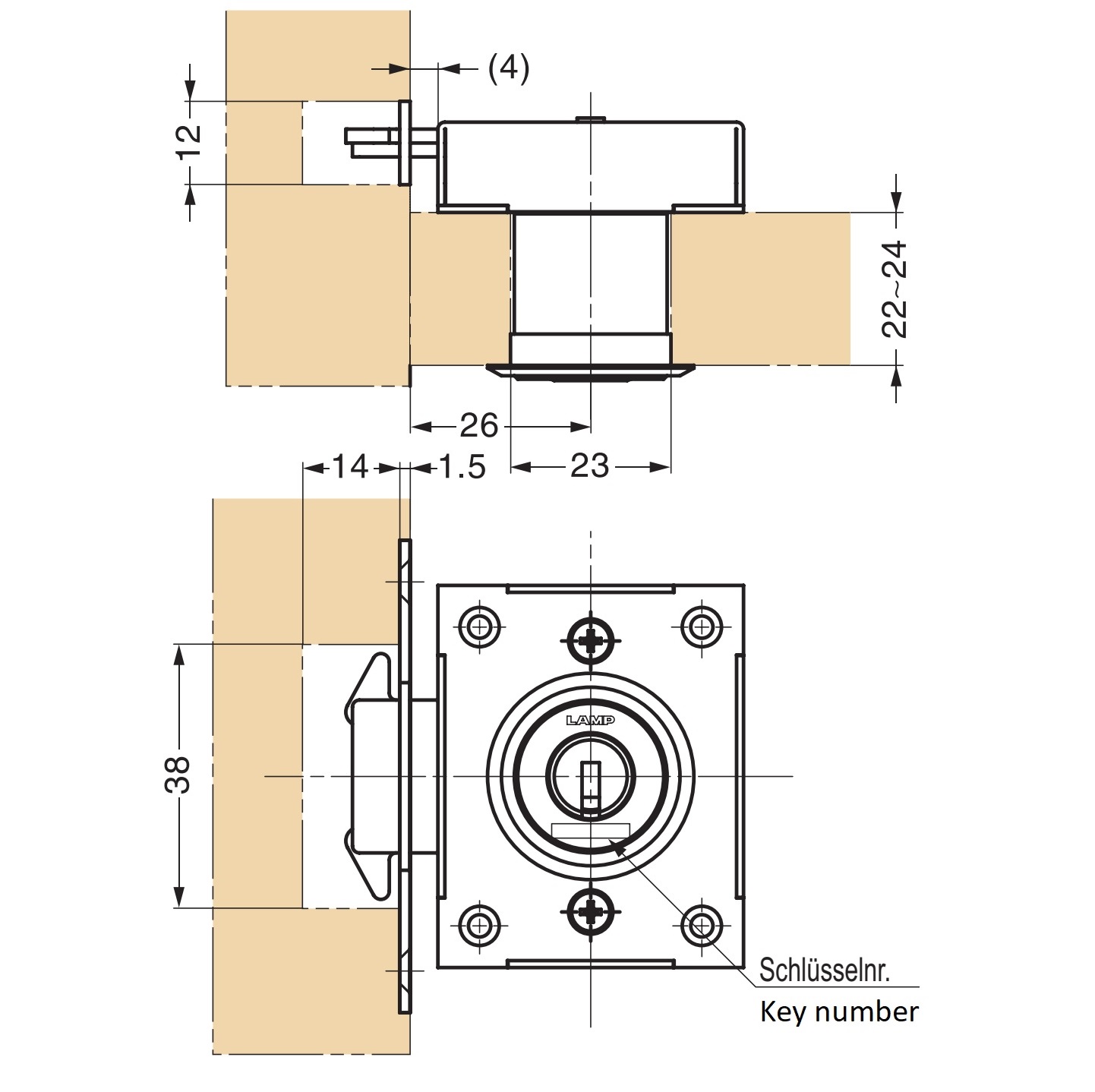
Montaż:
- Mocowanie odbywa się za pomocą sześciu wkrętów znajdujących się w zestawie (wkręt do drewna z stożkowym: cztery wkręty do drewna z stożkowym 3,1 x 22 mm i dwa kawałki 2,7 x 13 mm)
- Zamek do drzwi przesuwnych 7810K-24-SNI-L-B służy do przykręcania
- Aby zamontować przykręcany zamek do drzwi przesuwnych, należy wywiercić otwór o średnicy ⌀23 mm (29/32″)
- Zaczep posiada dwa otwory montażowe o średnicy ⌀3 mm (więcej szczegółów na rysunku montażowym)

Wymiary:
- Wysokość i szerokość zamka do drzwi przesuwnych przykręcanych: 55 mm (2-11/64″) x 44 mm (1-47/64″)
- Głębokość: 13 mm (33/64″)
- Długość cylindra: 24 mm (15/16″)
- Tył: 26 mm (1-1/32″)
- Średnica cylindra: ⌀22 mm (55/64″)

Więcej wymiarów i szczegółów znajduje się na rysunku technicznym.
Materiał:
- Zamki do rolet 7810K-24-SNI-L-B wykonane są z solidnej stali nierdzewnej (SUS304 lub V2A)
- Stal nierdzewna SUS304 charakteryzuje się wysoką odpornością na korozję i trwałością, dzięki czemu idealnie nadaje się do stosowania w wymagających środowiskach
- Ponadto oferuje atrakcyjne, polerowane lub satynowe wykończenie, które jest zarówno nowoczesne, jak i łatwe w utrzymaniu
Zawarte w dostawie:
- 1-częściowy zamek do drzwi przesuwnych 7810K-24-SNI-L-B wykonany z litej stali nierdzewnej, niklowany, matowy satynowany, wzór: z innym kluczem
- Sześć sztuk wkrętów do drewna z stożkowym: cztery części wkrętów do drewna z stożkowym 3,1 x 22 mm i dwa kawałki wkrętów z stożkowym 2,7 x 13 mm ze stali nierdzewnej
- 1 sztuka zaczepu
- Trzy sztuki bezpiecznych kluczy z wgłębieniami
- 1-częściowa rozeta cylindryczna
Numery artykułów producenta:
- ID artykułu: 150-028-732
- Numer artykułu: 7810K-24-SNI-L-B
- Numer EAN: 0618455523618
Producent: Sugatsune / LAMP® (Japonia)










