Opis
Wysokiej jakości prostokątny wysypisko śmieci, wykonane ze stali nierdzewnej V2A (SUS304 lub 1.4301), powierzchnia: satynowy mat, AN-KH005-HL, rozmiar: 56 mm (2-13/64″)
Aplikacja:
Śmieci ze stali nierdzewnej, dla gastronomii, wyposażenia sklepów, salonów kosmetycznych i wielu innych.

Wysokiej jakości śmieci ze stali nierdzewnej AN-KH005-HL wykonane ze stali nierdzewnej V2A (SUS304) mają prostokątny kształt i są starannie obrobione.
Krawędzie są rozbrojone i zaokrąglone, aby zapobiec obrażeniom podczas użytkowania.
Odpady ze stali nierdzewnej AN-KH005-HL mogą być również stosowane w wilgotnych miejscach, takich jak pole medyczne, laboratoria, łaźnie, sauny itp.
Ogólnie rzecz biorąc, wyrzutnie odpadów AN-KH005-HL sprawiają wrażenie bardzo wysokiej jakości.

Wysokiej jakości wyrzutnie odpadów AN-KH005-HL doskonale nadają się do:
- Gastronomia systemowa
- Catering
- Praktyka lekarska
- Profesjonalna kuchnia
- Meble drogeryjne
- Meble szpitalne
- Meble kuchenne
- Gastronomia
- Wyposażenie sklepów
- Kosmetyczny
Szczegóły techniczne:
- Waga: 87 g
- Rozmiar: 56 mm (2-13/64″)
- Misternie przetworzone
- Dostępne w pięciu rozmiarach: 82 mm – 300 mm
- Wysoka jakość
- Satynowy mat
- Warunki atmosferyczne
- nierdzewny (odporny na korozję)
- wysoka jakość marki Sugatsune / LAMP®
Powierzchnia:
- Satynowy mat
Montaż:
- Do wytrawiania
- Do montażu wyrzutni śmieci AN-KH005-HL należy wykonać wycięcie w ścianie korpusu o wymiarach (G x H) 59 mm (2-21/64″) x 59 mm (2-21/64″) (więcej szczegółów patrz
rysunek montażowy
)

Wymiary:
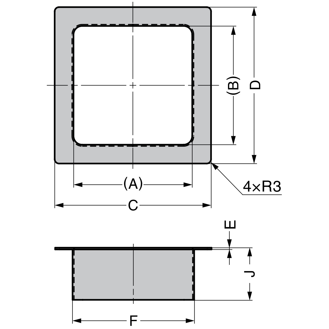
- Wymiary wyrzutu odpadów (C x D): 3-15/64″ (82 mm) x 3-15/64″ (82 mm)
- Wymiary wewnętrzne (szer. x szer.): 56 mm (2-13/64″) x 56 mm (2-13/64″)
- Głębokość wysypu odpadów (J): 36 mm (1-27/64″)
- Grubość materiału (E): 1,2 mm (3/64″)
- Szerokość kołnierza: 13 mm (33/64″)

Więcej wymiarów i szczegółów znajduje się na rysunku technicznym.
Materiał:
- Wyrzutnie śmieci AN-KH005-HL wykonane są ze stali nierdzewnej (V2A)
Zawarte w dostawie:
- 1 sztuka kosza śmieciowego AN-KH005-HL wykonana ze stali nierdzewnej V2A (SUS304 lub 1.4301), satynowy mat
Numery artykułów producenta:
- ID artykułu: 210-032-785
- Kod producenta: AN-KH005-HL
- Numer EAN: 4510932165754
Producent: Sugatsune / LAMP® (Japonia)








