Opis
Wysokiej jakości uchwyt wlotowy wykonany z litego stopu z wbudowanym rozkładanym tłumikiem, powierzchnia: chromowana, satynowa matowa, HH-P135DC, 135 mm (5-5/16″)
Używać:
Uchwyt dolotowy HH-P135DC z buforem ogranicznym dla drzwi przesuwnych.

Wysokiej jakości kubki uchwytu wlotowego HH-P135DC mają zintegrowany rozkładany ogranicznik drzwi. Ten ogranicznik zderzaka może zapobiec uderzeniu drzwi w ścianę nadwozia.
Ponadto odbojnik drzwi może chronić dłonie i palce przed przytrzaśnięciem, zapobiegając chowaniu klamki za ścianą korpusu.
Zderzak można złożyć, aby całkowicie otworzyć drzwi.
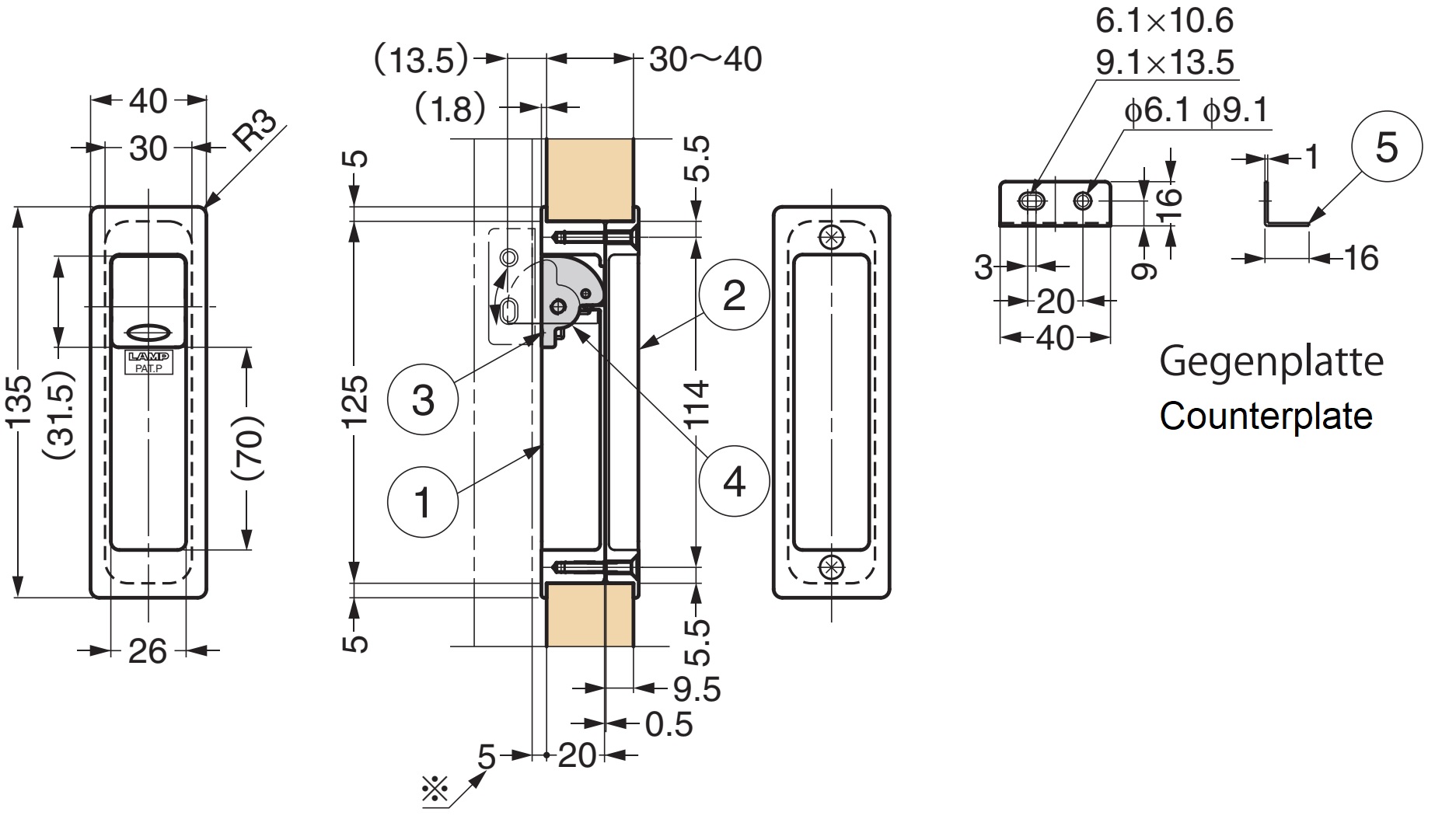
Uchwyt z wpuszczaną uchwycikiem HH-P135DC można zamontować do drzwi o grubości 30–50 mm.
Podczas montażu na drzwiach o grubości 40-50 mm należy użyć dłuższych (nie dołączonych).
Instalacja wlotu na płasku bezpiecznie prowadzi drzwi i umożliwia wygodną, łatwą w użyciu drzwi przesuwnych.
Uchwyt wlotowy HH-P135DC jest idealny do:
- Drzwi przesuwne
Szczegóły techniczne:
- Waga: 290 g
- Rozmiar: 135 mm (5-5/16″)
- Misternie obrobione
- Ergonomiczny
- Stajnia
- Zintegrowany ogranicznik chroni palce, osłonę drzwi i nadwozie przed uszkodzeniami
- Krzepki
- Chromowane, satynowe matowe wykończenie
- Wysoka jakość marki Sugatsune / LAMP®
Powierzchnia:
- Chromowane, satynowe matowe wykończenie
Montaż:
- Mocowanie odbywa się za pomocą wchodzących w zakres dostawy (śruba z stożkowym M4 x 25)
- Do montażu należy wykonać wycięcie z przodu o długości 125,5 mm (4-15/16″) i szerokości 30,5 mm (1-13/64″)
- W przypadku stosowania z płytą oporową odległość oznaczoną (※) na rysunku technicznym należy zwiększyć do 7 mm (więcej szczegółów patrz
rysunek montażowy
)

Więcej wymiarów i szczegółów znajduje się na rysunku technicznym.
Wymiary:
- Długość uchwytu obudowy wlotowej: 5-5/16″ (135 mm)
- Szerokość: 40 mm (1-37/64″)
- Rozmiar obszaru uchwytu: 70 mm (2-3/4″) x 26 mm (1-1/32″)
- Głębokość uchwytu: 20 mm (25/32″)

Produkcja:
- Wysokiej jakości kubki uchwytu wlotowego HH-P135DC wykonane są ze stopu (ZDC)
Zawarte w dostawie:
- 1-częściowa osłona uchwytu wlotowego HH-P135DC wykonana z litego stopu, chromowana, matowe wykończenie satynowe
- 2 sztuki śruba z stożkowym M4 x 25 wykonana ze stali
Numery artykułów producenta:
- ID artykułu: 100-010-098
- Numer produktu: HH-P135DC
- Numer EAN: 4510932010436
Producent: Sugatsune / LAMP® (Japonia)













