Opis
4-częściowa nakrętka napędowa z gwintem wewnętrznym M6 i czterema końcówkami napędowymi, płyta przykręcana, wykonana z wytrzymałej stali, powierzchnia: ocynkowana, żółta, SC-124-6, rozmiar: 19 mm (0.8″)
Aplikacja:
Rowek wjezdny, na, nóżki sof, nóżki do szafek, kółka meblowe, konstrukcje domów prefabrykowanych i wiele innych.
Gwint SC-124-6 służy do mocowania, nóżek meblowych, nóżek poziomujących itp. pod meblami, sofami, urządzeniami, maszynami itp.
Nakrętka udarowa SC-124-6 może być również używana do mocowania, wkrętów imbusowych lub sprzętu do drewnianej ściany lub ścianki wspinaczkowej.
Wysokiej jakości nakrętki napędowe 200-041-281 są idealne do:
- Śruba imbusowa
- Chwyt wspinaczkowy
- Nóżki poziomujące
- Kółka do szafek
- Nogi
- Regulowane nóżki
- Pojemniki
- Śruba
- Podstawa sofy
- Baza szafy
- Rolka mebli
- Budowa domów prefabrykowanych
Szczegóły techniczne:
- Waga: 3,5 g
- Rozmiar: 19 mm (0.8″)
- z gwintem wewnętrznym M6
- z czterema stabilnymi końcówkami udarowymi
- stajnia
- ocynkowane, żółte
- Stal
- krzepki
- wysoka jakość marki Sugatsune / LAMP®
Powierzchnia:
- Ocynkowany, żółty
- Ocynkowana powierzchnia chroni przed rdzą i korozją
Montaż:
- Górna płyta ma cztery końcówki udarowe
- Przede wszystkim należy wywiercić otwór o średnicy ⌀8 mm (5/16″) w podłodze mebla lub drewnianej ścianie w miejscu, w którym ma być umieszczony gwint wątku
- W zależności od konkretnego zastosowania, nakrętka napędowa SC-124-6 jest wbijana w płytę od tyłu lub od przodu
- Wkręty, nóżki meblowe lub kółka meblowe wyposażone we są następnie wkręcane w gwint płyty montażowej SC-124-6 i dokręcane
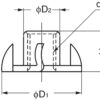
Wymiary:
- Średnica nakrętki (⌀D2): ⌀7.5 mm (19/64″)
- Średnica podstawy (⌀D1): ⌀19 mm (3/4″)
- Wysokość (wys.): 9 mm (23/64″)
- Gwint (d): M6

Dalsze pomiary i szczegóły
znajdują się na rysunku technicznym
.
Materiał:
- Nakrętki napędowe SC-124-6 są wykonane z wytrzymałej stali
Zawarte w dostawie:
- 4 sztuki nakrętek napędowych SC-124-6 wykonane z wytrzymałej stali, ocynkowane, żółte
Numery artykułów producenta:
- ID artykułu: 200-041-281
- Numer produktu: SC-124-6
- Numer EAN: 4510932034654
Producent: Sugatsune / LAMP® (Japonia)








