Opis
Wysokiej jakości uchwyt wlotowy z zawiasowym wykonaniem ze stałego stopu, powierzchnia: niklowana, satynowa matowa, FH-100AK-00, 100 mm (3-15/16″)
Używać:
Uchwyt wlotowy FH-100AK-00 do mebli biurowych, mebli domowych, szafek kuchennych.
Wysokiej jakości uchwyty wlotowe na zawiasach FH-100AK-00 posiadają uchwyt rozkładany.
Po rozłożeniu pozostaje on w pozycji otwartej i w razie potrzeby można go ponownie złożyć.
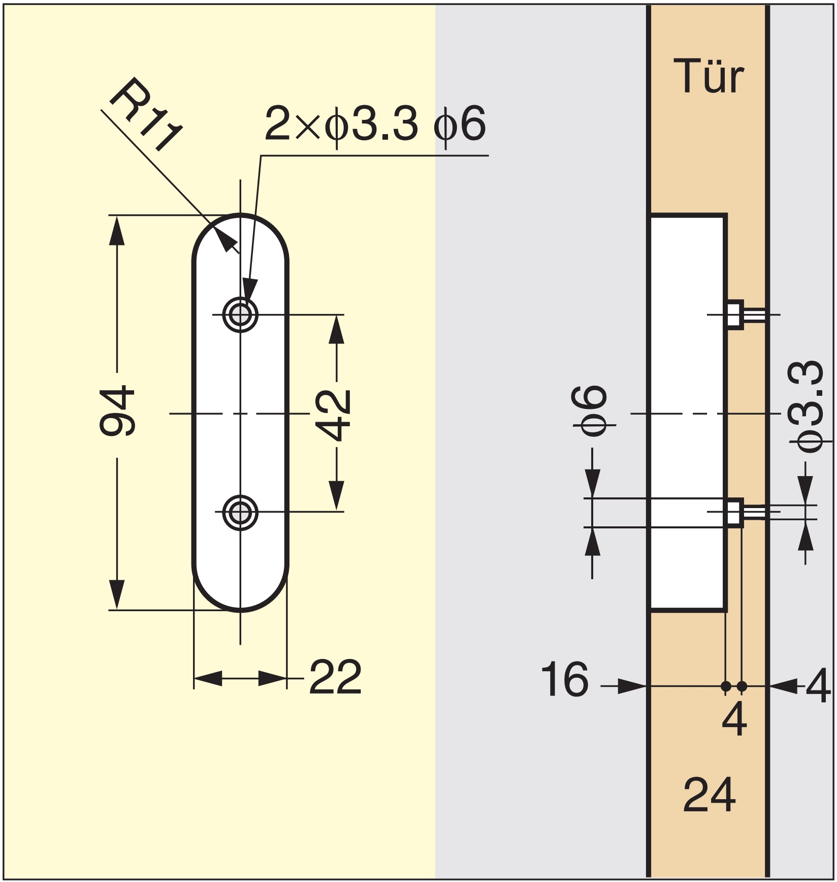
Uchwyt kubełkowy FH-100AK-00 może być montowany w drzwiach o grubości co najmniej 25 mm (63/64″).
Dzięki płaskiemu designowi, wpuszczana składana rączka jest idealna do nowoczesnych frontów meblowych, gdzie nie są pożądane irytujące, wystające uchwyty.
Może być również montowany w meblach blaszanych.
Uchwyt wlotowy FH-100AK-00 doskonale nadaje się do:
- Meble biurowe
- Meble domowe
- Szafki kuchenne
Szczegóły techniczne:
- Głęboko składana rączka dla wygodnego otwierania i płaskiego obrazu z przodu
- Waga: 105 g
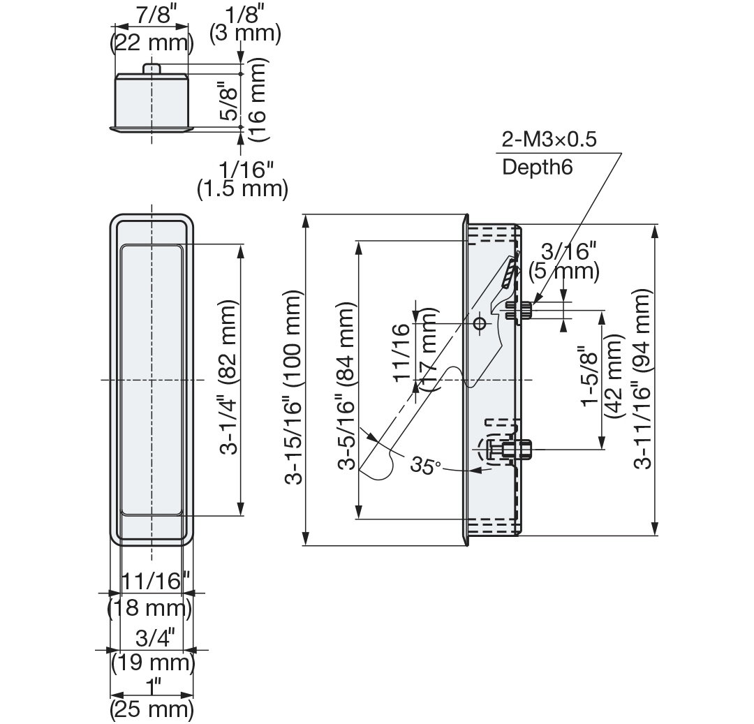
- Rozmiar: 100 mm (3-15/16″)
- Misternie obrobione
- Ergonomiczny
- Stajnia
- Odpowiednie dla grubości drzwi od 25 mm (63/64″)
- Krzepki
- Niklowane, satynowe matowe wykończenie
- Wysoka jakość marki Sugatsune / LAMP®
Powierzchnia:
- Niklowane, satynowe matowe wykończenie
Montaż:
- Mocowanie odbywa się za pomocą wchodzących w zakres dostawy (płaska śruba z okrągłym M3 x 12)
- Do montażu należy wykonać wycięcie z przodu o długości 94 mm (3-45/64″) i szerokości 22 mm (55/64″)
- Do montażu w drzwiach blaszanych wymagana jest podkładka dystansowa (patrz przykładowy rysunek poniżej). Nie wchodzi to w zakres dostawy (więcej szczegółów znajduje się na rysunku montażowym)


Wymiary:
- Długość uchwytu wlotowego na zawiasach: 100 mm (3-15/16″)
- Szerokość: 25 mm (63/64″)
- Głębokość: 16 mm (5/8″)
- Odległość między otworami montażowymi: 42 mm (1-21/32″)
Więcej wymiarów i szczegółów znajduje się na rysunku technicznym.

Produkcja:
- Wysokiej jakości uchwyty wlotowe na zawiasach FH-100AK-00 wykonane są ze stopu (ZDC)
Zawarte w dostawie:
- 1 uchylna szyna wlotowa FH-100AK-00 wykonana z litego stopu, niklowana, matowe wykończenie satynowe
- 2 sztuki z płaskim okrągłym M3 x 12 wykonane ze stali
Numery artykułów producenta:
- ID artykułu: 100-010-251
- Kod producenta: FH-100AK-00
- Numer EAN: 4510932010689
Producent: Sugatsune / LAMP® (Japonia)











